滾珠螺桿在使用上有很多的優點,比如高效率、可逆性、零背隙、高剛性、導程精度高及其他多項優點,與傳統艾克姆螺桿(ACME) 相比較,滾珠螺桿加入鋼珠將傳統螺桿的滑動磨擦改以鋼珠滾動運動取代,大大降低磨擦及動能損粍,有助維持高效率及高精度,TST 滾珠螺桿以嚴謹的生產製程、先進的加工設備生產,並在廠內一站式製造完成,嚴格管控每一道製程的尺寸及精度,確保提供最高質量之滾珠螺桿給顧客。
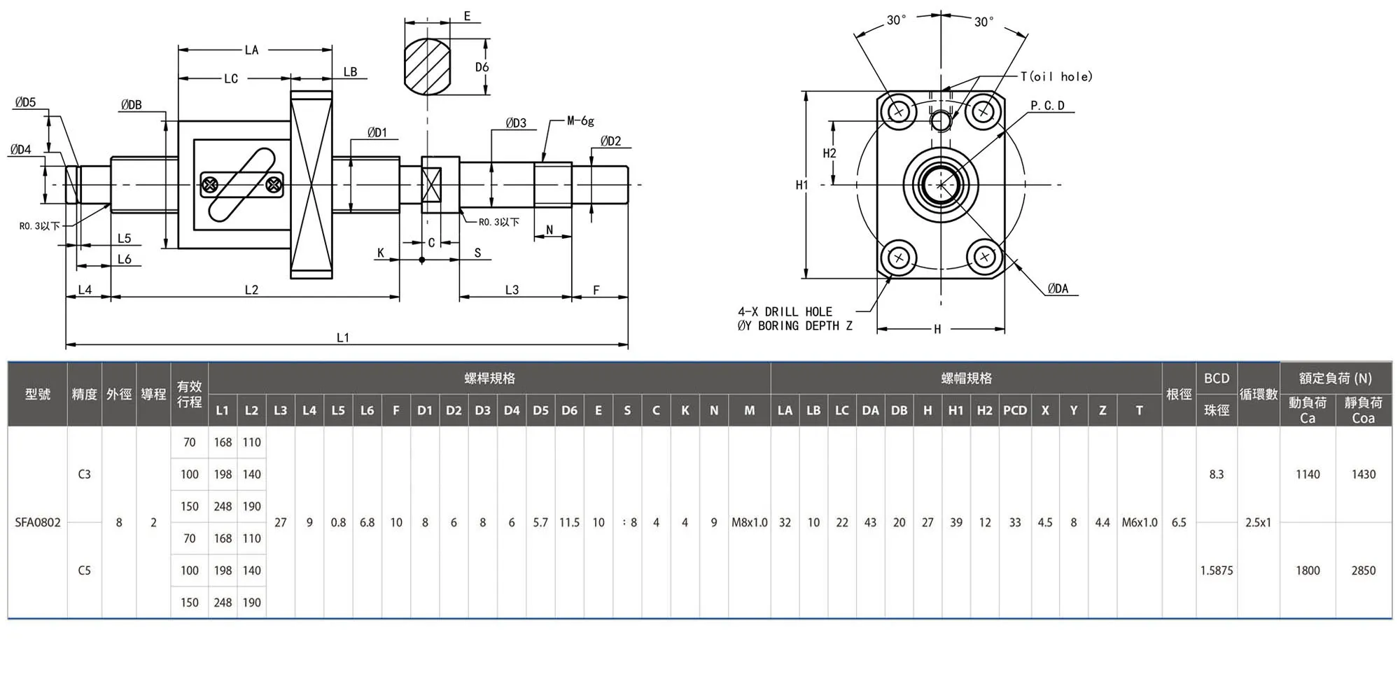
| 滾珠螺桿規格 | ||||||
| 精度等級 | 循環方式 | 軸向間隙 | 螺桿材質 | 螺帽材質 | 螺旋方向 | 使用油脂 |
| C3/C5 | 外循環 | P1:無預壓,無間隙 | S55C/50CrMo4 QT | SCM415H | R | MULTEEMP LRL3 |
| P2:輕預壓,無間隙 | ||||||
(點擊圖片放大檢視)

更多產品詳細說明請參考產品型錄
| 滾珠螺桿規格 | ||||||
| 精度等級 | 循環方式 | 軸向間隙 | 螺桿材質 | 螺帽材質 | 螺旋方向 | 使用油脂 |
| C3/C5 | 外循環 | P1:無預壓,無間隙 | S55C/50CrMo4 QT | SCM415H | R | MULTEEMP LRL3 |
| P2:輕預壓,無間隙 | ||||||
(點擊圖片放大檢視)

更多產品詳細說明請參考產品型錄
| 滾珠螺桿規格 | ||||||
| 精度等級 | 循環方式 | 軸向間隙 | 螺桿材質 | 螺帽材質 | 螺旋方向 | 使用油脂 |
| C3/C5 | 外循環 | P1:無預壓,無間隙 | S55C/50CrMo4 QT | SCM415H | R | MULTEEMP LRL3 |
| P2:輕預壓,無間隙 | ||||||
(點擊圖片放大檢視)

更多產品詳細說明請參考產品型錄
| 滾珠螺桿規格 | ||||||
| 精度等級 | 循環方式 | 軸向間隙 | 螺桿材質 | 螺帽材質 | 螺旋方向 | 使用油脂 |
| C3/C5 | 外循環 | P1:無預壓,無間隙 | S55C/50CrMo4 QT | SCM415H | R | MULTEEMP LRL3 |
| P2:輕預壓,無間隙 | ||||||
(點擊圖片放大檢視)

更多產品詳細說明請參考產品型錄
| 滾珠螺桿規格 | ||||||
| 精度等級 | 循環方式 | 軸向間隙 | 螺桿材質 | 螺帽材質 | 螺旋方向 | 使用油脂 |
| C3/C5 | 外循環 | P1:無預壓,無間隙 | S55C/50CrMo4 QT | SCM415H | R | MULTEEMP LRL3 |
| P2:輕預壓,無間隙 | ||||||
(點擊圖片放大檢視)

更多產品詳細說明請參考產品型錄
| 滾珠螺桿規格 | ||||||
| 精度等級 | 循環方式 | 軸向間隙 | 螺桿材質 | 螺帽材質 | 螺旋方向 | 使用油脂 |
| C5 | 外循環 | P1:無預壓,無間隙 | S55C/50CrMo4 QT | SCM415H | R | MULTEEMP LRL3 |
| P2:輕預壓,無間隙 | ||||||
(點擊圖片放大檢視)

更多產品詳細說明請參考產品型錄
| 滾珠螺桿規格 | ||||||
| 精度等級 | 循環方式 | 軸向間隙 | 螺桿材質 | 螺帽材質 | 螺旋方向 | 使用油脂 |
| C5 | 外循環 | P1:無預壓,無間隙 | S55C/50CrMo4 QT | SCM415H | R | 防鏽油 |
| P2:輕預壓,無間隙 | ||||||
(點擊圖片放大檢視)

更多產品詳細說明請參考產品型錄
| 滾珠螺桿規格 | ||||||
| 精度等級 | 循環方式 | 軸向間隙 | 螺桿材質 | 螺帽材質 | 螺旋方向 | 使用油脂 |
| C5 | 外循環 | P1:無預壓,無間隙 | S55C/50CrMo4 QT | SCM415H | R | 防鏽油 |
| P2:輕預壓,無間隙 | ||||||
(點擊圖片放大檢視)

更多產品詳細說明請參考產品型錄
| 滾珠螺桿規格 | ||||||
| 精度等級 | 循環方式 | 軸向間隙 | 螺桿材質 | 螺帽材質 | 螺旋方向 | 使用油脂 |
| C5 | 外循環 | P1:無預壓,無間隙 | S55C/50CrMo4 QT | SCM415H | R | 防鏽油 |
| P2:輕預壓,無間隙 | ||||||
(點擊圖片放大檢視)

更多產品詳細說明請參考產品型錄
| 滾珠螺桿規格 | ||||||
| 精度等級 | 循環方式 | 軸向間隙 | 螺桿材質 | 螺帽材質 | 螺旋方向 | 使用油脂 |
| C5 | 外循環 | P1:無預壓,無間隙 | S55C/50CrMo4 QT | SCM415H | R | 防鏽油 |
| P2:輕預壓,無間隙 | ||||||
(點擊圖片放大檢視)

更多產品詳細說明請參考產品型錄
| 滾珠螺桿規格 | ||||||
| 精度等級 | 循環方式 | 軸向間隙 | 螺桿材質 | 螺帽材質 | 螺旋方向 | 使用油脂 |
| C5 | 外循環 | P1:無預壓,無間隙 | S55C/50CrMo4 QT | SCM415H | R | 防鏽油 |
| P2:輕預壓,無間隙 | ||||||
(點擊圖片放大檢視)

更多產品詳細說明請參考產品型錄
